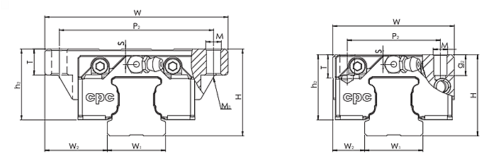
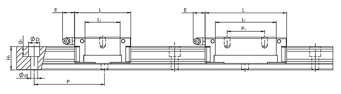
產品介紹/參數 TECHNICAL PARAMETER


| 型號 | 組裝尺寸 | 導軌尺寸(mm) | 滑塊尺寸(mm) | ||||||||||
| H | W2 | W1 | H1 | P | D×d×g1 | W | L | L1 | h2 | P1 | P2 | E | |
| AR15MN | 24 | 9.5 | 15 | 15 | 60 | 7.5×4.5×5.3 | 34 | 56.1 | 39.5 | 20.1 | 26 | 26 | 4.5 |
| 型號 | 滑塊尺寸(mm) | 額定負荷(KN) | 靜扭矩(Nm) | 重量 | |||||||
| M×g2 | M1 | S | T | C | Co | Mro | Mpo | Myo | 滑塊(g) | 導軌(g/m) | |
| AR15MN | M4×7 | - | 4 | 6 | 9.0 | 17.5 | 140 | 100 | 100 | 140 | 1290 |


13509222616





首頁