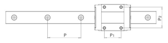
優勢特點:CPC導軌MRU3ML屬于微型系列直線導軌,組合高度為4mm,滑塊安裝孔為5.5mm。直線導軌運動的作用是用來支撐和引導運動部件,按給定的方向做往復直線運動。


| 型號 | 組裝尺寸 | 導軌尺寸(mm) | 滑塊尺寸(mm) | |||||||||
| H | W2 | W1 | H1 | P | D×d×g1 | W | L | L1 | h2 | P1 | P2 | |
| MRU3ML | 4 | 2.5 | 3 | 2.6 | 10 | M1.6 | 8 | 16 | 11 | 3 | 5.5 | - |


| 型號 | 滑塊尺寸(mm) | 額定負荷(N) | 靜扭矩(Nm) | 重量 | |||||||
| M×g2 | ∅ | S | T | C100B(dyn) | Co(stat) | Mro | Mpo | Myo | 滑塊(g) | 導軌(g/m) | |
| MRU3ML | M2×1.1 | 0.3 | 0.7 | 1.5 | 295 | 575 | 0.9 | 1.1 | 1.1 | 1.2 | 53 |
負荷力是依據ISO14728計算得之,額定壽命定義不同時額定動負荷比較:C50B=1.26×C100B
對臺灣CPC線型導軌進行簡介
區別于傳統的滑動引導,線性導軌用的是滾動導引的方式,通過接著鋼珠在滑塊跟滑軌之間進行無限滾動循環,它的負載平拍能愛這樣的基礎上進行噶度精確的活動,所以,導軌的摩擦力會比傳統的要低很多,很多機臺就是利用導軌的這一特性,使用線性導軌作為導引,在很大程度上都可以提高了設備的精度,以及機械的效能。
CPC線性導軌跟滑動導引的艾爾格區別就是在承受負荷這個問題上。線性滑軌因為其本身特殊的結構設計,所以,這款滑軌可以承受得住來自四面八方各個方向的負荷,而滑動引導,水平方向的負荷還行,在側面上的承受負荷比較低,這種情況下,滑動引導在精度方面就很可能產生精度不良的情況。
此外,當滑動引導潤滑不夠的時候,接觸面的金屬就很會比較容易的損耗到床臺,而潤滑對于滑動引導而言卻十分不容易,而線性引導不但可以直接通過對其打入油脂的方式已達到潤滑的目的,還可以通過換上供油油管對其進行自動供油。
CPC導軌MRU3ML屬于微型系列直線導軌,組合高度為4mm,滑塊安裝孔為5.5mm。直線導軌運動的作用是用來支撐和引導運動部件,按給定的方向做往復直線運動。
上一篇:MR5MN
下一篇:MRU3MN

















