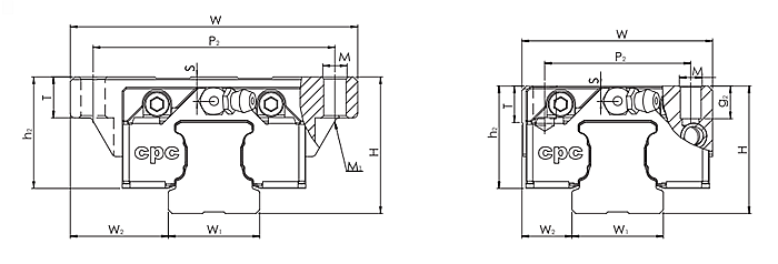
產品介紹/參數 TECHNICAL PARAMETER


| 型號 | 組裝尺寸 | 導軌尺寸(mm) | 滑塊尺寸(mm) | ||||||||||
| H | W2 | W1 | H1 | P | D×d×g1 | W | L | L1 | h2 | P1 | P2 | E | |
| AR25FN | 33 | 25 | 23 | 23 | 60 | 11×7×9 | 73 | 80.2 | 60 | 26.6 | 35 | 60 | 12 |
| 型號 | 滑塊尺寸(mm) | 額定負荷(KN) | 靜扭矩(Nm) | 重量 | |||||||
| M×g2 | M1 | S | T | C | Co | Mro | Mpo | Myo | 滑塊(g) | 導軌(g/m) | |
| AR25FN | M8×10 | M6 | 5 | 10 | 18.8 | 36.4 | 410 | 300 | 300 | 440 | 3020 |


13509222616





首頁