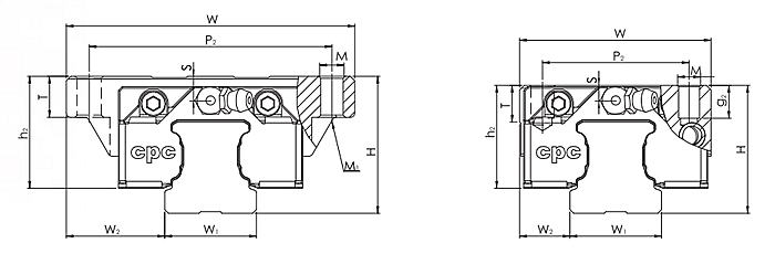
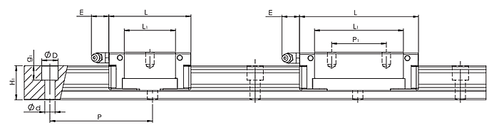
產品介紹/參數 TECHNICAL PARAMETER


| 型號 | 組裝尺寸 | 導軌尺寸(mm) | 滑塊尺寸(mm) | ||||||||||
| H | W2 | W1 | H1 | P | D×d×g1 | W | L | L1 | h2 | P1 | P2 | E | |
| HR20MN | 30 | 12 | 20 | 20 | 60 | 9.5×6×8.5 | 44 | 70.2 | 52 | 24.5 | 36 | 32 | 12 |
| 型號 | 滑塊尺寸(mm) | 額定負荷(KN) | 靜扭矩(Nm) | 重量 | |||||||
| M×g2 | M1 | S | T | C | Co | Mro | Mpo | Myo | 滑塊(g) | 導軌(g/m) | |
| HR20MN | M5×8.5 | - | 5.5 | 10 | 15.6 | 29.8 | 310 | 220 | 220 | 310 | 2280 |


13509222616






首頁