優勢特點:CPC直線導軌AR系列的優點:CPC直線導軌AR系列的精度方面很好,動力需要上也很低,因此非常適合高速運行。能夠承受各個方向的負載。因為CPC的直線導軌設計結構十分特殊,區別于滑動導引側向負荷比較低,所以,CPC直線導軌的精確度比較高。





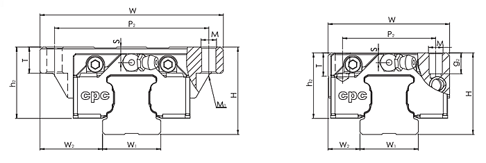
具刮刷功能之不銹鋼加強片,L型的設計能用螺絲在滑座的上方及下方固鎖,強化端蓋剛性及包覆性。使產品能夠高速運動。AR輕量化直線導軌主要提供VC、V0等預壓等級,提高與客戶加工件公差的容許度,增加使用便利性,更能節省客戶加工成本。
CPC輕量化滾珠直線導軌系列采用高負荷、高剛性O型排列四列式滾珠循環設計,滾珠軌道面與滾珠接觸角為45度,可達到四方向等負荷之效果。AR輕量化直線導軌,滑座的四列循環通道,有兩列位于塑料配件中,可降低10~20%滑座重量。
潤滑構造簡單,滑動導引若潤滑不足,將會造成接觸面金屬直接摩擦損耗床臺,而滑動導引要潤滑充足并不容易,需要在床臺適當的位置鉆孔供油。CPC直線導軌則已在滑塊上裝置油嘴,可直接以注油槍打入油脂,亦可換上專用油管接頭連接供油油管,以自動供油機潤滑。
◆耐高速
◆輕量化鋼體回流孔設計
◆與ARC/HRC/ERC共享滑軌
◆加工件配合公差容許度高
◆四方向等負荷設計
◆可提供鋼材表面特殊處理
◆可提供上鎖式及下鎖式滑軌
◆極佳動力表現:Vmax>5m/s,amax>300m/s2
◆端面雙密封唇防塵設計,可提供接觸式泛用型及非接觸式低阻力型兩種型式






AR15MS AR15MN AR15FS AR15FN AR20MS AR20MN AR20FS AR20FN AR25MS AR25MN AR25FS AR25FN






AR15MS AR15MN AR15FS AR15FN AR20MS AR20MN AR20FS AR20FN AR25MS AR25MN AR25FS AR25FN
上一篇:AR25FN
下一篇:沒有了















