優勢特點:臺灣CPC直線導軌HR/ER系列優點:CPC直線導軌質量有保障,具有優良的特性,并且,要比其他的直線導軌優質。CPC直線導軌降低了摩擦力,把滑動摩擦改為滾動摩擦,這樣就導致了在機器運作的時候摩擦力減小了,不會導致在機器運作的時候出現機器滑動的情況,產生危險。





在自動化機械產業,導軌一直是一個十分重要的副產品。導軌其實就是根據其自身的三個特點來發揮它的作用的。這三個特點分別是:自動調心能力,互換性以及任意方向都具備高剛性。在這三個特點的搭配結合下,導軌就能進行直線的反復運動。
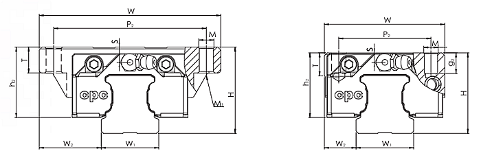
CPC輕量化滾珠直線導軌系列采用高負荷、高剛性O型排列四列式滾珠循環設計,滾珠軌道面與滾珠接觸角為45度,可達到四方向等負荷之效果。HR/ER輕量化直線導軌,滑座的四列循環通道,有兩列位于塑料配件中,可降低10~20%滑座重量。
CPC輕量化滾珠直線導軌系列采用高負荷、高剛性O型排列四列式滾珠循環設計,滾珠軌道面與滾珠接觸角為45度,可達到四方向等負荷之效果。HR/ER輕量化直線導軌,滑座的四列循環通道,有兩列位于塑料配件中,可降低10~20%滑座重量。
具刮刷功能之不銹鋼加強片,L型的設計能用螺絲在滑座的上方及下方固鎖,強化端蓋剛性及包覆性。使產品能夠高速運動。HR/ER輕量化直線導軌主要提供VC、V0等預壓等級,提高與客戶加工件公差的容許度,增加使用便利性,更能節省客戶加工成本。
◆耐高速
◆輕量化鋼體回流孔設計
◆四方向等負荷設計
◆加工件配合公差容許度高
◆與ARC/HRC/ERC共享滑軌
◆可提供上鎖式及下鎖式滑軌
◆可提供鋼材表面特殊處理
◆極佳動力表現:Vmax>5m/s,amax>300m/s2
◆端面雙密封唇防塵設計,可提供接觸式泛用型及非接觸式低阻力型兩種型式






HR15FN HR20MN HR20ML HR20FN HR20FL HR25MN HR25ML HR25FN HR25FL ER25MN ER25ML






HR15FN HR20MN HR20ML HR20FN HR20FL HR25MN HR25ML HR25FN HR25FL ER25MN ER25ML
上一篇:ER25ML
下一篇:沒有了















