優勢特點:臺灣CPC直線導軌MR系列的特色優點:1、專利的潤滑油路設計,能夠均勻的將潤滑油脂注入每個循環迴路。2、高定位精度重現佳,行走順暢,低噪音,適合高速化應用,具互換特性,符合國際標準。3、性價比高,材質為德國優質鋼材,深冷處理,高鋼性四方向等負荷設計,具自動調心能力,可長時間維持精度。





高負荷、高扭矩功能:
MR直線導軌采用二列式滾珠循環設計, 滾珠槽取接觸角為45度的哥德式結構, 能實現四向等載荷。直線導軌在有效空間限制下,使用了較大直徑的鋼珠, 從而實現直線導軌高載荷、高扭矩功能。
直線導軌材質:
MR直線導軌所有鋼材組件無論是直線導軌、滑座鋼體或鋼珠皆使用經淬透熱處理之不銹鋼材質。
塑料件倒扣設計強化結合機構,可承受更高的運行速度設計:
當CPC直線導軌運行時,其塑料端蓋不斷承受鋼珠循環回流轉向時所產生的沖擊力,且運行速度越快其沖擊力越大.MR直線導軌在考慮自動化設計高速運行場合需求愈來愈多。
回流道特殊設計:
CPC直線導軌MR系列獨特的鋼珠回流孔及回流道由全密式塑料框架及塑料端蓋構成,結構簡單,可大幅減少鋼珠與金屬的接觸面積及碰撞機會,有效的達到低噪音運行效果。回流道內藏特殊設計之儲油讓槽,可延長直線導軌潤滑周期。
◆回流道特殊設計
◆高負荷、高扭矩功能
◆加強片設計
◆端面防塵設計
◆潤滑與儲油塊設計
◆嵌入式及倒扣設計





MR直線導軌標準配備之端面密封設計,可有效構成密閉防塵,提高直線導軌壽命,并減低潤滑液損耗,確保長時間潤滑效果。MR直線導軌特殊設計之密封唇,能兼顧低摩擦阻力,不影響運行順暢度。
◆防塵設計
【SS系列-端面密封片】
標準配備之端面密封片設計,可有效構成密閉防塵,提高產品壽命,并減低潤滑液損耗,確保長時間潤滑效果。特殊設計之密封唇,能兼顧低摩擦力,不影響運行順暢度。

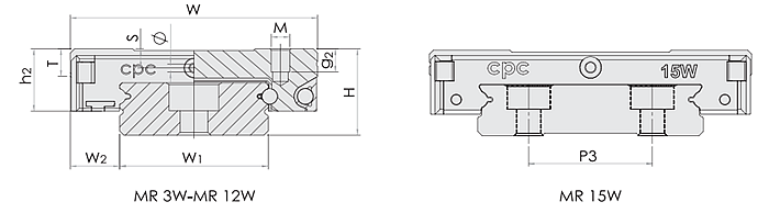
標準型 MR -M SS 系列






寬型 MR-W SS系列








標準型 MR -M SS 系列






寬型 MR-W SS系列







MRU3MN MR5MN MR7MN MR9MN MR12MN MR15MN MRU3ML MR5ML MR7ML MR9ML MR12ML MR15ML MR3WN MR5WN MR7WN MR9WN MR12WN MR15WN MR2WL MR3WL MR5WNC MR5WLC MR5WL MR7WL MR9WL MR12WL MR15WL
上一篇:MR2WL
下一篇:沒有了

















