優勢特點:CPC滑塊AR15FS屬于低組裝系列直線導軌,組合高度為24mm,滑塊安裝孔為41mm。為了支撐機床的工作部件,一套直線導軌至少有四個支架。用于支撐大型的工作部件,支架的數量可以多于四個。


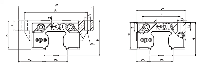
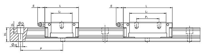
| 型號 | 組裝尺寸 | 導軌尺寸(mm) | 滑塊尺寸(mm) | ||||||||||
| H | W2 | W1 | H1 | P | D×d×g1 | W | L | L1 | h2 | P1 | P2 | E | |
| AR15FS | 24 | 18.5 | 15 | 15 | 60 | 7.5×4.5×5.3 | 52 | 40.8 | 24.2 | 20.1 | - | 41 | 4.5 |
| 型號 | 滑塊尺寸(mm) | 額定負荷(KN) | 靜扭矩(Nm) | 重量 | |||||||
| M×g2 | M1 | S | T | C | Co | Mro | Mpo | Myo | 滑塊(g) | 導軌(g/m) | |
| AR15FS | M5×7 | M4 | 4 | 7 | 6.4 | 10.8 | 80 | 40 | 40 | 120 | 1290 |
臺灣CPC線性滑軌AR15FS的安裝要求
線性滑軌與平面導軌一樣,有兩個基本元件;一個作為導向的為固定元件,另一個是移動元件。由于線性滑軌是標準部件,對機床制造廠來說,唯一要做的只是加工一個安裝導軌的平面和校調導軌的平行度。當然,為了保證機床的精度,床身或立柱少量的刮研是必不可少的,在多數情況下,安裝是比較簡單的。
用兩個等高量塊和一大理石量尺放在安裝基面上,放上精密的水平儀調試底座水平,要求是底座中凸(2~3格)。CPC線性滑軌AR15FS安裝基面粗糙度,平面度,直線度以及外觀的檢查。
當水平調試好以后,必須用激光干涉儀測量出主CPC線性滑軌AR15FS安裝基面,我們通常以靠近右側立柱的一條直線導軌面為主導軌)的平面度允許每10m中凸0.05mm,全行程直線度允許中凸0.03mm。粗糙度要求1.6,外觀無鑄造缺陷。
CPC線性滑軌AR15FS安裝基面與導軌側基準安裝面的倒角處理。要求:倒角半徑小于或等于3.5mm,若發現倒角過大或凸出,應及時采用油石和銼刀處理,否則會造成導軌精度的安裝不良或者會干涉thk滑塊。
導軌工作臺是裝有兩條滾動線性滑軌,每條導軌上有兩個滑塊,以保證移動的穩定性。校直的兩個目標:一.基準導軌達的直線度誤差達在到規定范圍內; 二.兩條導軌之間的平行度誤差達到規定值。
上一篇:AR15MN
下一篇:AR15FN















