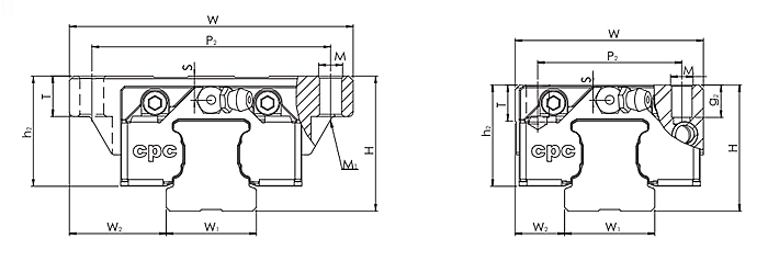
優勢特點:CPC直線導軌AR20FS屬于低組裝系列直線導軌,組合高度為28mm,滑塊安裝孔為49mm。直線導軌運動的作用是用來支撐和引導運動部件,按給定的方向做往復直線運動。


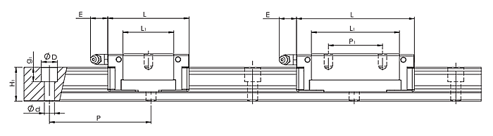
| 型號 | 組裝尺寸 | 導軌尺寸(mm) | 滑塊尺寸(mm) | ||||||||||
| H | W2 | W1 | H1 | P | D×d×g1 | W | L | L1 | h2 | P1 | P2 | E | |
| AR20FS | 28 | 19.5 | 20 | 20 | 60 | 9.5×6×8.5 | 59 | 48.2 | 30 | 22.5 | - | 49 | 12 |
| 型號 | 滑塊尺寸(mm) | 額定負荷(KN) | 靜扭矩(Nm) | 重量 | |||||||
| M×g2 | M1 | S | T | C | Co | Mro | Mpo | Myo | 滑塊(g) | 導軌(g/m) | |
| AR20FS | M6×9 | M5 | 3.5 | 9 | 10.9 | 16.3 | 170 | 80 | 80 | 185 | 2280 |
臺灣CPC直線導軌AR20FS在使用過程中的需要注意的問題
CPC直線導軌屬于精密零件,因而在使用時要求有相當地慎重態度,即便是使用了高性能的CPC直線導軌AR20FS,如果使用不當,也不能達到預期的性能效果,而且容易使直線導軌損壞。所以,使用CPC直線導軌應注意以下的問題:
第一:防止銹蝕
直接用手拿取直線導軌時,要充分洗去手上的汗液,并涂以優質礦物油后再進行操作,在雨季和夏季尤其要注意防銹。
第二:保持環境清潔
保持直線導軌及其周圍環境的清潔即使是肉眼看不見的微笑灰塵進入導軌,也會增加導軌的磨損,振動和噪聲。
第三:安裝要認真仔細
CPC直線導軌AR20FS在使用安裝時要認真仔細,不允許強力沖壓,不允許用錘直接敲擊導軌,不允許通過滾動體傳遞壓力。
第四:安裝工具要合適
直線導軌使用合適、準確的安裝工具盡量使用專用工具,極力避免使用布類和短纖維之類的東西。
小編所說的以上幾點都是大家需要注意的地方,大家在使用CPC直線導軌AR20FS的過程中有任何問題可以隨時咨詢我們創威達客服哦!
上一篇:AR20MN
下一篇:AR20FN















