優勢特點:CPC導軌AR25MS屬于低組裝系列直線導軌,組合高度為33mm,滑塊安裝孔為35mm。安裝導軌前,要先用油石打去軌道底座安裝面和側面安裝面上的毛邊和毛刺。


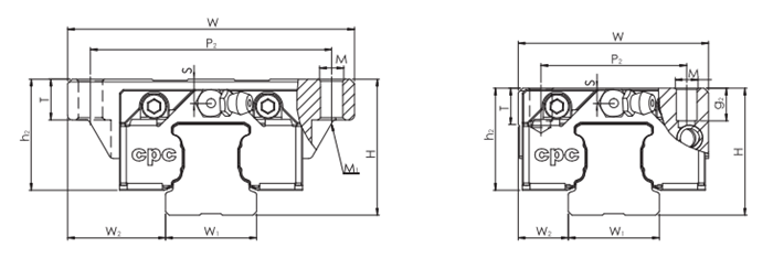
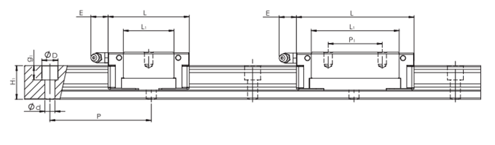
| 型號 | 組裝尺寸 | 導軌尺寸(mm) | 滑塊尺寸(mm) | ||||||||||
| H | W2 | W1 | H1 | P | D×d×g1 | W | L | L1 | h2 | P1 | P2 | E | |
| AR25MS | 33 | 12.5 | 23 | 23 | 60 | 11×7×9 | 48 | 57.2 | 37 | 26.6 | - | 35 | 12 |
| 型號 | 滑塊尺寸(mm) | 額定負荷(KN) | 靜扭矩(Nm) | 重量 | |||||||
| M×g2 | M1 | S | T | C | Co | Mro | Mpo | Myo | 滑塊(g) | 導軌(g/m) | |
| AR25MS | M6×9 | - | 5 | 8 | 12.3 | 21.2 | 220 | 110 | 110 | 285 | 3020 |
臺灣CPC直線導軌AR25MS的剛性怎么選型
鋼珠或滑塊剛性---直線導軌接受負荷時。滑軌等在容許負荷范圍內發生彈性變形,這是負荷與變位量之比率就是剛性值,直線導軌隨著預壓量之增加剛性也增加,對于直線導軌的4方向等負荷型來講,預壓的效果能堅持外部負荷增大至預壓負荷的2.8倍時為止。
CPC直線導軌AR25MS可以借由施加預壓來提高剛性,而預壓是利用調整負向間隙,使鋼珠與溝槽之間產生負向間隙,預先施于內部負荷,所以在進行壽命計算時,必須將其預壓負荷考慮進去假如工作的負荷,所以預壓增大壽命會減少,直線導軌的預壓等級分為以下幾種,其中C值為基本額定負荷。
第一、輕預壓Z0,預壓力控制在0-0.02C之間,適用條件在負荷、振動以及沖擊小的設備,精度要求較低,以及要求高、順暢度的設備當中。通常會應用在半導體制造設備、醫療設備、沖壓機、焊接機、各種機器人、自動包裝機、一般工業機械的XY軸、工業交換裝置、各種材料供給裝置、其它小型直線滑動裝置上面較為之多。
第二、中預壓Z1,預壓力控制在0.03C-0.05C之間,適用條件在輕負荷高精度設備或者是單軸使用的設備。通常會應用在工作臺進給軸、NC車床、自動涂裝機、工業機器人、一般工業機械的Z軸、印刷線路板的打孔機、電火花加工機、測定器、精密XY平臺上面較為之多。
第三、重預壓Z1,預壓力控制在0.06C-0.08C之間,適用條件在重負荷高精度的設備或者是高振動、大沖擊且要求高剛性的設備,通常應用在機械加工中心、NC車床、銑床、立式貨橫式鏜床、工作機械的Z軸上面較為之多。
CPC導軌AR25MS屬于低組裝系列直線導軌,組合高度為33mm,滑塊安裝孔為35mm。安裝導軌前,要先用油石打去軌道底座安裝面和側面安裝面上的毛邊和毛刺。
上一篇:AR20FN
下一篇:AR25MN















