優勢特點:CPC導軌滑塊HR20FN屬于高組裝系列直線導軌,組合高度為30mm,滑塊安裝孔為40*53mm。直線導軌的運動由滾動來實現,不僅摩擦系數降至滑動導軌的1/50,動、靜摩擦阻力的差距亦變成很小,實現運動平穩,減少沖擊和振動,不易產生爬行現象。


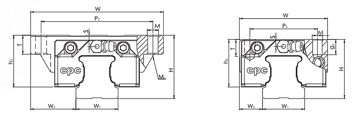
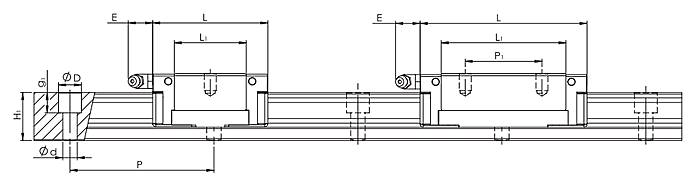
| 型號 | 組裝尺寸 | 導軌尺寸(mm) | 滑塊尺寸(mm) | ||||||||||
| H | W2 | W1 | H1 | P | D×d×g1 | W | L | L1 | h2 | P1 | P2 | E | |
| HR20FN | 30 | 21.5 | 20 | 20 | 60 | 9.5×6×8.5 | 63 | 70.2 | 52 | 24.5 | 40 | 53 | 12 |
| 型號 | 滑塊尺寸(mm) | 額定負荷(KN) | 靜扭矩(Nm) | 重量 | |||||||
| M×g2 | M1 | S | T | C | Co | Mro | Mpo | Myo | 滑塊(g) | 導軌(g/m) | |
| HR20FN | M6×9 | M5 | 5.5 | 9 | 15.6 | 29.8 | 310 | 220 | 220 | 385 | 2280 |
造成CPC直線導軌HR20FN使用壽命受到影響的因素
基本所有的機械產品都需要使用到直線導軌,而直線導軌最大的作用就是運轉,所以直線導軌在整個行業中的存在是非常有必要的,但是對于直線導軌的現在也是相同重要,直線導軌對于支撐起來說,只是一個小小的零部件,而這個零部件的好壞則會直接的影響到機器的工作,所以選擇直線導軌是需要特別注意的。
對CPC直線導軌HR20FN的使用造成影響的因素有很多,最主要的因素應該還是來自外在的影響,主要指的是安裝和拆卸,維護和保養,以及工作的環境等,我們在對直線導軌進行安裝和拆卸的時候,必須嚴格按照安裝的要求,以及需要注意的事項來操作,安裝和拆卸的過程出現操作不當,那么將會造成直線導軌在運行的過程中出現損害,這也將會影響到直線導軌的使用壽命;也不能以為CPC直線導軌HR20FN的質量比較好,所以就忽略了日常的保養和維護,即便是進口的優質直線導軌,在使用過程中,其正常的保養和維護工作也是必不可少的,只有在日常做好相應的保養和維護工作,才能有效的延長其整個使用的壽命。
在不同的工作環境中,同樣會對CPC直線導軌HR20FN的使用年限造成影響,如果是長期使用比較惡劣的環境下,不僅會對直線導軌造成影響,其機器的本身也會受到不同程度的損壞,而且其日常的維修不到位的話,那么其使用年限也會大打折扣,想要有效的保證直線導軌的使用年限,應該將造成其受到影響的因素找出,這樣才可以進行針對性的完善,有效的延長整個直線導軌的使用年限。
上一篇:HR20ML
下一篇:HR20FL















