優勢特點:CPC直線導軌ER25ML屬于高組裝系列直線導軌,組合高度為36mm,滑塊安裝孔為50*35mm。CPC直線導軌為一種滾動導引,借由鋼珠在滑塊與滑軌之間作無限滾動循環,負載平臺能沿著滑軌輕易地以高精度作線性運動。


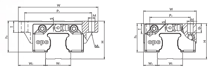
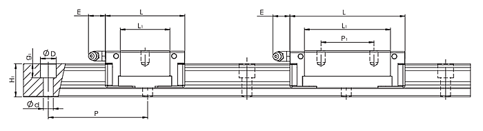
| 型號 | 組裝尺寸 | 導軌尺寸(mm) | 滑塊尺寸(mm) | ||||||||||
| H | W2 | W1 | H1 | P | D×d×g1 | W | L | L1 | h2 | P1 | P2 | E | |
| ER25ML | 36 | 12.5 | 23 | 23 | 60 | 11×7×9 | 48 | 100.2 | 80 | 29.6 | 50 | 35 | 12 |
| 型號 | 滑塊尺寸(mm) | 額定負荷(KN) | 靜扭矩(Nm) | 重量 | |||||||
| M×g2 | M1 | S | T | C | Co | Mro | Mpo | Myo | 滑塊(g) | 導軌(g/m) | |
| ER25ML | M6×9 | - | 8 | 8 | 23.4 | 48.5 | 560 | 520 | 520 | 550 | 3020 |
臺灣CPC直線導軌ER25ML的預壓
CPC直線導軌的預壓分為重預壓,中預壓,輕預壓,無預約四種預壓方式,預壓主要通過鋼珠調整。通過調節預壓,對我們直線導軌的精度有利。
CPC直線導軌ER25ML的徑向間隙,對運行精度,耐負荷性能及剛性都有明顯影響,因此根據用途適當地選擇間隙是很重要的一般,考慮到因往復運動而產生的震動沖擊,選擇負間隙,對使用壽命及精度都會帶來好的效果。
調預壓的方式為更換鋼珠之大小,一般調整預壓的工作皆必須在原廠完成,若客戶想自行調整預壓,請與原廠聯絡相關技術事宜。
因滑塊中事前作了內部負荷,考慮預壓時的負荷大小與壽命---直線導軌中施加預壓(中預壓)使用時。有必要考慮預壓負荷進行壽命計算。
CPC直線導軌ER25ML屬于高組裝系列直線導軌,組合高度為36mm,滑塊安裝孔為50*35mm。CPC直線導軌為一種滾動導引,借由鋼珠在滑塊與滑軌之間作無限滾動循環,負載平臺能沿著滑軌輕易地以高精度作線性運動。
CPC直線導軌ER25ML屬于高組裝系列直線導軌,組合高度為36mm,滑塊安裝孔為50*35mm。CPC直線導軌為一種滾動導引,借由鋼珠在滑塊與滑軌之間作無限滾動循環,負載平臺能沿著滑軌輕易地以高精度作線性運動。
上一篇:ER25MN
下一篇:CPC高組裝導軌HR系列















