優勢特點:CPC直線導軌HR20ML屬于高組裝系列直線導軌,組合高度為30mm,滑塊安裝孔為50*32mm。與傳統的滑動導引相比,滾動導引的摩擦系數可降低至原來的1/50,由于起動的摩擦力大大減少,相對的較少無效運動發生, 故能輕易達到μm級進給及定位。


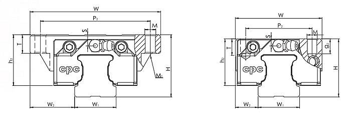
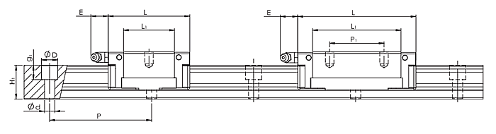
| 型號 | 組裝尺寸 | 導軌尺寸(mm) | 滑塊尺寸(mm) | ||||||||||
| H | W2 | W1 | H1 | P | D×d×g1 | W | L | L1 | h2 | P1 | P2 | E | |
| HR20ML | 30 | 12 | 20 | 20 | 60 | 9.5×6×8.5 | 44 | 90.2 | 72 | 24.5 | 50 | 32 | 12 |
| 型號 | 滑塊尺寸(mm) | 額定負荷(KN) | 靜扭矩(Nm) | 重量 | |||||||
| M×g2 | M1 | S | T | C | Co | Mro | Mpo | Myo | 滑塊(g) | 導軌(g/m) | |
| HR20ML | M5×8.5 | - | 5.5 | 10 | 20.8 | 43.3 | 430 | 420 | 420 | 383 | 2280 |
臺灣CPC直線導軌HR20ML兩者不同零部件的用途
隨著工業創新科技的發展,我國制造生產水平得到提升,在原有的基礎上面,對品質方面有了很大的提高,這對我們后續做貿易提供有利的幫助。將更好的自動化經濟效益,帶動市場的高速發展。從2016深圳機械展了解到,目前絕大部分的數控設備都離不開一個核心部件,那就是“直線導軌”,毫無疑問推動它們的運行、實現高精度系數必須要借助其才能夠實現。那么真正意義上的作用是怎樣的呢?下面跟隨我們東莞市創威達五金機電有限公司一起來探索吧!
第一者、滑塊:CPC直線導軌HR20ML在使用過程中,最大的特點應該是其能夠進行較快速的運動,從而呈現出是直線型的,這點功能的實現完全需要依靠滑塊,所以滑塊對于直線導軌來說,屬于不可缺失的元動部件之一,假設CPC直線導軌HR20ML中沒有滑塊的存在,那么其在運動上的軌跡將會出現曲線型勢,這種情況相對于機械設備的使用是及其不便的,因為基本上所有的機械設備在運動中要求的都是直線形式的運動,如此一來才能夠更好的將其精度進行掌控。
第二者、固定式的元件:其最大的作用就是為了直線導軌在運動上提供正確的方向,固定元件的主要材質一般為粹硬鋼,在將固定元件安裝于平面上之前,還需要對其進行反復式的摩擦處理,并且對于摩擦的精度要求是非常高的,在CPC直線導軌HR20ML的表面上,還需要留有溝槽為滑動的元部件依次來進行運動操控,所以其在橫截面的結構與形狀上相對表現的比較復雜。我們工程師還提到一點,溝槽在形狀上并沒有任何較為嚴格的規定,況且數量也不是完全統一的,相對于溝槽上的數量要求,以及形狀、機構等,還需要根據安裝機械設備的加工要求來決定。
上一篇:HR20MN
下一篇:HR20FN















