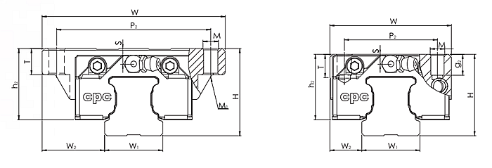
優勢特點:CPC滑塊ER25MN屬于高組裝系列直線導軌,組合高度為36mm,滑塊安裝孔為35*35mm。為了保證機器有較高的加工精度,要求其導軌、直線具有較高的導向精度和良好的運動平穩性。


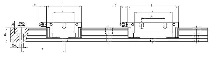
| 型號 | 組裝尺寸 | 導軌尺寸(mm) | 滑塊尺寸(mm) | ||||||||||
| H | W2 | W1 | H1 | P | D×d×g1 | W | L | L1 | h2 | P1 | P2 | E | |
| ER25MN | 36 | 12.5 | 23 | 23 | 60 | 11×7×9 | 48 | 80.2 | 60 | 29.6 | 35 | 35 | 12 |
| 型號 | 滑塊尺寸(mm) | 額定負荷(KN) | 靜扭矩(Nm) | 重量 | |||||||
| M×g2 | M1 | S | T | C | Co | Mro | Mpo | Myo | 滑塊(g) | 導軌(g/m) | |
| ER25MN | M6×9 | - | 8 | 8 | 18.8 | 36.4 | 410 | 300 | 300 | 432 | 3020 |
臺灣CPC直線導軌ER25MN在安裝之前要做的五項準備
一、CPC直線導軌ER25MN機臺水平的校正。要求:用兩個等高量塊和一大理石量尺放在安裝基面上,放上精密的水平儀調試底座水平,要求是底座中凸(2~3格)。
二、CPC直線導軌ER25MN安裝基面粗糙度,平面度,直線度以及外觀的檢查。要求:當水平調試好以后,必須用激光干涉儀測量出主直線導軌安裝基面(我們通常以靠右側立柱的一條直線導軌面為主導軌)的平面度允許每10m中凸0.05mm,全行程直線度允許中凸0.03mm。粗糙度要求1.6,外觀無鑄造缺陷。
三、CPC直線導軌ER25MN安裝基面與導軌側基準安裝面的倒角處理。要求:倒角半徑小于或等于3.5mm,若發現倒角過大或凸出,應及時采用油石和銼刀處理,否則會造成導軌精度的安裝不良或者會干涉滑塊。
四、CPC直線導軌ER25MN安裝基面鎖緊螺紋孔的加工。要求:確認安裝螺孔的位置是否正確,各相連螺孔的中心距120mm大于0.1mm或小于0.1mm;為保證高精度的螺孔加工,要求選用數控設備定位加工。
五、開箱后直線導軌的檢查。要求:檢查直線導軌是否有合格證,有否碰傷或銹蝕,將防銹油清洗干凈,清除裝配表面的毛刺、撞擊突起物及污物等。
上一篇:HR25FL
下一篇:ER25ML















