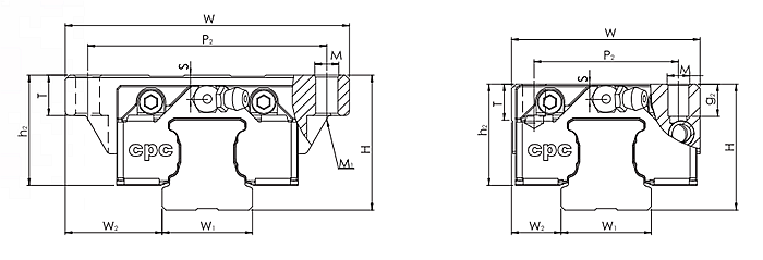
優勢特點:CPC線軌HR20FL屬于高組裝系列直線導軌,組合高度為30mm,滑塊安裝孔為40*53mm。直線導軌運動的作用是用來支撐和引導運動部件,按給定的方向做往復直線運動。


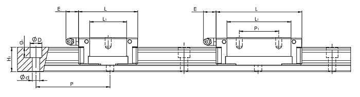
| 型號 | 組裝尺寸 | 導軌尺寸(mm) | 滑塊尺寸(mm) | ||||||||||
| H | W2 | W1 | H1 | P | D×d×g1 | W | L | L1 | h2 | P1 | P2 | E | |
| HR20FL | 30 | 21.5 | 20 | 20 | 60 | 9.5×6×8.5 | 63 | 90.2 | 72 | 24.5 | 40 | 53 | 12 |
| 型號 | 滑塊尺寸(mm) | 額定負荷(KN) | 靜扭矩(Nm) | 重量 | |||||||
| M×g2 | M1 | S | T | C | Co | Mro | Mpo | Myo | 滑塊(g) | 導軌(g/m) | |
| HR20FL | M6×9 | M5 | 5.5 | 9 | 20.8 | 43.3 | 430 | 420 | 420 | 496 | 2280 |
臺灣CPC線性滑軌HR20FL的摩擦不可避免
在絕大多數情況下,流體潤滑只限于邊界區域,由金屬接觸而產生的直接摩擦是無法避免的,在這種摩擦中,大量的能量以摩擦損耗被浪費掉了。
大多數情形下只需脂潤滑就充足了,這使得在機床的潤滑體系計劃及利用維護方面都變得特別很是輕易轉動CPC線性滑軌HR20FL的滑塊與導軌間為微間隙或負間隙,因而可以極大進步導軌的總體剛性和活動精度。允許負荷大)G滑塊和導軌精密共同成一總體,剛性大,四偏向等負荷,是以具備較大的負荷承載本領。維護保養輕便CPC創新設計的E2自潤模塊產物聯合可拆換式的觀點,使得CPC線性滑軌HR20FL可延伸其維護周期。E2自潤模組擁有節流本錢、干凈環保的特色,安置機動、拆裝輕易且易于維護,透明油箱計劃可隨時檢視油量,并可選用響應的潤滑油。可在非凡情況如粉塵、惡劣天色和用水情況下利用。
CPC E2自潤模組不單可以增長使用者維護上的便利性,并且其模組化的計劃更可以讓客戶直接采辦E2自潤模組套件安置到滑塊上,便可到達潤滑零件的功效。機器計劃高效率化因轉動直線導軌里的鋼珠孕育發生彈性變形而接收安置面偏差從而可以低落導軌安置根本面的平整度請求,低落機械加工本錢。線性導軌具備將安置導軌的底子加工及組裝時孕育發生的垂直度、平面度、交叉度等校直偏差平均化后舉行接收的特征。因此采納直線導軌可以大大進步機器計劃的效力。
滾動面的摩擦損耗也相應減少,故能使CPC線性滑軌HR20FL系統長期處于高精度狀態。
上一篇:HR20FN
下一篇:HR25MN















