優勢特點:CPC滑塊HR25MN屬于高組裝系列直線導軌,組合高度為40mm,滑塊安裝孔為35*35mm。直線導軌在滑塊上裝有注油杯,可直接以注油注入油脂,亦可連接供油管以自動供油機潤滑,使其的磨耗降至更少,使機臺能長時間保持精主工。


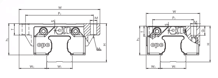
| 型號 | 組裝尺寸 | 導軌尺寸(mm) | 滑塊尺寸(mm) | ||||||||||
| H | W2 | W1 | H1 | P | D×d×g1 | W | L | L1 | h2 | P1 | P2 | E | |
| HR25MN | 40 | 12.5 | 23 | 23 | 60 | 11×7×9 | 48 | 80.2 | 60 | 33.6 | 35 | 35 | 12 |
| 型號 | 滑塊尺寸(mm) | 額定負荷(KN) | 靜扭矩(Nm) | 重量 | |||||||
| M×g2 | M1 | S | T | C | Co | Mro | Mpo | Myo | 滑塊(g) | 導軌(g/m) | |
| HR25MN | M6×9 | - | 12 | 12 | 18.8 | 36.4 | 410 | 300 | 300 | 530 | 3020 |
臺灣CPC線性滑軌HR25MN的作用和設計要求
當運動件沿著承導件作直線運動時,承導件上的導軌起支承和導向的作用,即支承運動件和保證運動件在外力(載荷及運動件本身的重量)的作用下,沿給定的方向進行直線運動。對導軌的要求如下:
1、一定的導向精度。導向精度是指運動件沿導軌移動的直線性,以及它與有關基面間的相互位置的準確性。
2、CPC線性滑軌HR25MN運動輕便平穩。工作時,應輕便省力,速度均勻,低速時應無爬行現象。
3、CPC線性滑軌HR25MN良好的耐磨性。導軌的耐磨性是指導軌長期使用后,能保持一定的使用精度。導軌在使用過程中要磨損,但應使磨損量小,且磨損后能自動補償或便于調整。
4、足夠的剛度。運動件所受的外力,是由導軌面承受的,故導軌應有足夠的接觸剛度。為此,常用加大導軌面寬度,以降低導軌面比壓;設置輔助導軌,以承受外載。
5、溫度變化影響小。應保證導軌在工作溫度變化的條件下,仍能正常工作。
6、CPC線性滑軌HR25MN結構工藝性好。在保證導軌其它要求的前提下,應使導軌結構簡單,便于加工、測量、裝配和調整,降低成本。
不同設備的導軌,必須作具體分析,對其提出相應的設計要求。必須指出,上述六點要求是相互影響的。
上一篇:HR20FL
下一篇:HR25ML















