優勢特點:CPC直線導軌HR25FN屬于高組裝系列直線導軌,組合高度為36mm,滑塊安裝孔為45*57mm??沙惺芨叩倪\行速度設計;當滑塊運行時,其塑膠端蓋不斷承受鋼珠循環回流向時所產生的沖擊力,且運行速度越快其沖擊力越大。


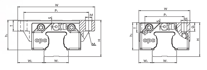
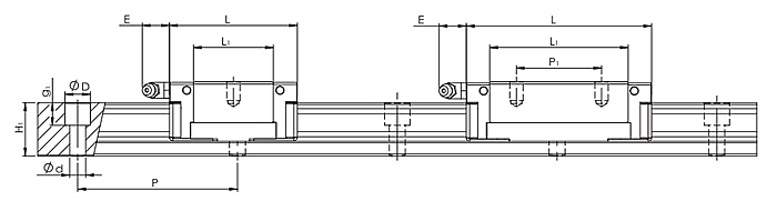
| 型號 | 組裝尺寸 | 導軌尺寸(mm) | 滑塊尺寸(mm) | ||||||||||
| H | W2 | W1 | H1 | P | D×d×g1 | W | L | L1 | h2 | P1 | P2 | E | |
| HR25FN | 36 | 23.5 | 23 | 23 | 60 | 11×7×9 | 70 | 80.2 | 60 | 29.6 | 45 | 57 | 12 |
| 型號 | 滑塊尺寸(mm) | 額定負荷(KN) | 靜扭矩(Nm) | 重量 | |||||||
| M×g2 | M1 | S | T | C | Co | Mro | Mpo | Myo | 滑塊(g) | 導軌(g/m) | |
| HR25FN | M8×10 | M6 | 8 | 10 | 18.8 | 36.4 | 410 | 300 | 300 | 470 | 3020 |
使用臺灣CPC直線導軌HR25FN的注意事項及保養
1、保持導軌及其周圍環境的清潔即使肉眼看不見的微笑灰塵進入導軌,也會增加導軌的磨損,振動和噪聲。
2、CPC直線導軌HR25FN使用合適、準確的安裝工具盡量使用專用工具,極力避免使用布類和短纖維之類的東西。
3、CPC直線導軌HR25FN在使用安裝時要認真仔細,不允許強力沖壓,不允許用錘直接敲擊導軌,不允許通過滾動體傳遞壓力。
4、防止導軌的銹蝕,直接用手拿取上銀導軌時,要充分洗去手上的汗液,并涂以優質礦物油后再進行操作,在雨季和夏季尤其要注意防銹。
因而在使用時要求有相當地慎重態度,即變是使用了高性能的CPC直線導軌HR25FN,如果使用不當,也不能達到預期的性能效果,而且容易使導軌損壞。 不過,在某種特殊的操作條件下,導軌可以獲得較長于傳統計算的壽命,特別是在輕負荷的情況下。這些特殊的操作條件就是,當滾動面(軌道及滾動件)被一潤滑油膜有效地分隔及限制污染物所可能導致的表面破壞。事實上,在理想的條件下,所謂永久導軌壽命是可能的。
潤滑保養:脂潤滑有預先在密封型導軌中充填潤滑脂的密封方式,以及在外殼內部充填適量潤滑脂,每隔一段時間進行補充或更換的充填供脂方式。此外,對有多處導軌需要潤滑的機械,還采用管道連接至各潤滑處的集中供脂方式。脂潤滑可做到充填一次潤滑脂后長時間不需補充,而且其密封裝置的結構也較簡單,因此使用廣泛。油潤滑相對來說比較簡單。經常潤滑可以大大提高CPC直線導軌HR25FN的使用壽命。
上一篇:HR25ML
下一篇:HR25FL















