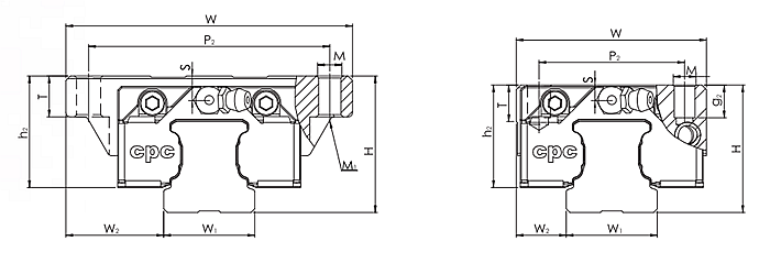
優勢特點:CPC線軌HR25FL屬于高組裝系列直線導軌,組合高度為36mm,滑塊安裝孔為45*57mm。穩定性是指在給定的運轉條件下不出現自激振動的性能。抗振性是指導軌副接受受迫振動和沖擊的能力。


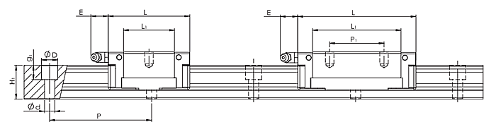
| 型號 | 組裝尺寸 | 導軌尺寸(mm) | 滑塊尺寸(mm) | ||||||||||
| H | W2 | W1 | H1 | P | D×d×g1 | W | L | L1 | h2 | P1 | P2 | E | |
| HR25FL | 36 | 23.5 | 23 | 23 | 60 | 11×7×9 | 70 | 100.2 | 80 | 29.6 | 45 | 57 | 12 |
| 型號 | 滑塊尺寸(mm) | 額定負荷(KN) | 靜扭矩(Nm) | 重量 | |||||||
| M×g2 | M1 | S | T | C | Co | Mro | Mpo | Myo | 滑塊(g) | 導軌(g/m) | |
| HR25FL | M8×10 | M6 | 8 | 10 | 23.4 | 48.5 | 560 | 520 | 520 | 585 | 3020 |
臺灣CPC直線導軌HR25FL日常維護方法
CPC直線導軌HR25FL屬于精密零件,所以在使用時要求一定慎重,即便是使用了高性能的直線導軌,如果使用不當,也不能達到預期的性能效果,而且容易讓直線導軌壽命不長。所以,使用直線導軌應注意的幾個事項:
潤滑,防銹:很多時候我們的安裝工人沒有注意戴上手套就直接安裝,手上有汗漬,堿性,應戴上工業手套安裝并維護,或者手洗凈汗漬并涂以優質礦物油后再進行操作;還有就是雨季南方潮濕天氣注意防銹的工作尤為重要。要不定時的檢查直線導軌有無防銹油,及時上油維護,以防生銹腐蝕導軌,以達到保養的作用。
保持環境清潔:CPC直線導軌作為設備的核心部件之一,它的功用是起導向和支承作用。為了保證機器有較高的加工精度,要求其直線導軌具有較高的導向精度和良好的運動平穩性。設備在運行過程中,由于被加工件在加工中會產生大量的腐蝕性粉塵和煙霧,基這些煙霧和粉塵長期大量沉積于直線導軌表面,對設備的加工精度有很大影響,并且會在直線導軌表面形成蝕點,縮短設備使用壽命。為了讓機器正常穩定工作,確保產品的加工質量,要認真做好直線導軌的日常維護。注意:清潔直線導軌請準備——干棉布、潤滑油。雕刻機的導軌分為直線導軌、滾輪導軌。
CPC直線導軌HR25FL的清潔:首先把激光頭移動到最右側(或左側),找到直線導軌,用干棉布擦拭直到光亮無塵,再加上少許潤滑油(可采用縫紉機油,切勿使用機油),將激光頭左右慢慢推動幾次,讓潤滑油均勻分布即可。
CPC直線導軌HR25FL的清潔:首先把激光頭移動到最右側(或左側),找到直線導軌,用干棉布擦拭直到光亮無塵,再加上少許潤滑油(可采用縫紉機油,切勿使用機油),將激光頭左右慢慢推動幾次,讓潤滑油均勻分布即可。
經常,CPC直線導軌HR25FL在我們安裝過程中,清潔和細節都被我們忽略掉,后期的維護保養也就無從談起了.對機器的精密配件我們還是要起到一個謹慎維護,以減少公司成本,延長直線導軌壽命。
上一篇:HR25FN
下一篇:ER25MN















